- Mensajes: 157
- Gracias recibidas: 5
Actualizaciones
- Novedades en manuales de mecánica 51 nuevos manuales disponibles
- Primera actualización de 2020 con 55 nuevos manuales de mecánica
- Primera actualización de 2019 con 36 nuevos manuales de mecánica
- Primera actualización de 2018 32 nuevos manuales de mecánica
- Primera actualización de 2016 incluida reparación de manuales erróneos
Cavalier 2.2 1997 no enciende
- WAL7ER
-
Autor del tema
- Fuera de línea
- Expert Boarder
-
Menos
Más
12 años 10 meses antes #42456
por WAL7ER
Cavalier 2.2 1997 no enciende Publicado por WAL7ER
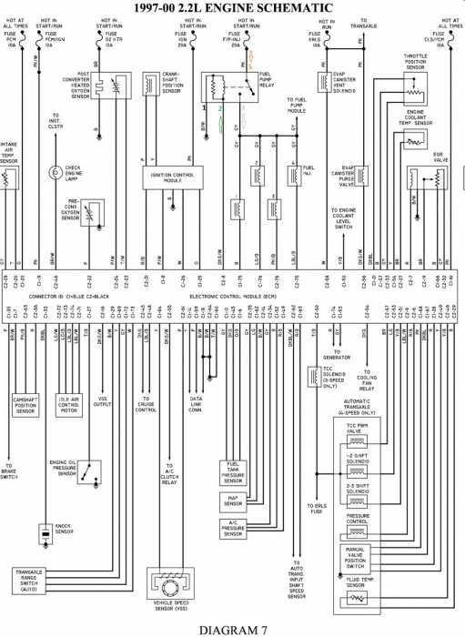
Hola. Chevrolet Cavalier 2.2 1997 no enciende.
Pruebas: Al abrir contacto no se activa el relay que presuriza la bomba y alimenta de positivo los inyectores. Revizando los cables del rele todo ok solo falta la señal + proveniente del PCM que activa el rele. Lo que hice fue puentear el rele para que funcione la bomba doy arranque enciende x 2 segundos y se apaga y empieza a parpadear el avizo Theft system o sistema antirrobo. Revize continuidad del relay al PCM y ok. Igual creo q aunque estuviera activado el sistema antirobo deberia presurizar la bomba aunque no encienda. El Relay esta nuevo.
Alguna orientacion porfa.
adjunto imagen del diagrama electrico, la señal N°2 o verde es la q no esta.
Pruebas: Al abrir contacto no se activa el relay que presuriza la bomba y alimenta de positivo los inyectores. Revizando los cables del rele todo ok solo falta la señal + proveniente del PCM que activa el rele. Lo que hice fue puentear el rele para que funcione la bomba doy arranque enciende x 2 segundos y se apaga y empieza a parpadear el avizo Theft system o sistema antirrobo. Revize continuidad del relay al PCM y ok. Igual creo q aunque estuviera activado el sistema antirobo deberia presurizar la bomba aunque no encienda. El Relay esta nuevo.
Alguna orientacion porfa.
adjunto imagen del diagrama electrico, la señal N°2 o verde es la q no esta.
Por favor, Identificarse o Crear cuenta para unirse a la conversación.
Buscar en MDM
Últimos Manuales
Actividades en MDM
Manuales de Taller de Coches
Comparte información mecánica sobre coches en este grupo. Puedes subir y descargar manuales sobre coches, tanto manuales de taller como...
Andres de la torre creado el nuevo tema ' Renault oroch no carga, pero cuando enciendo las luces si carga' en el foro.
12 meses
Oroch 2.0 modelo 2019.
compre bateria nueva y fue cuando me di cuenta que el coche no carga.
enciendo el clima y baja el voltaje a 11 volts.
pero si enciendo las luces si carga 13.5 v aprox.
¿alguien ya paso por esto?
le agradeceria su ayuda.
Saludos
Leer Más...
Manuales de Taller de Motos
Comparte información mecánica sobre motos en este grupo. Puedes subir y descargar manuales sobre motos, tanto manuales de taller como información...
Noticia del canal electrónico no encontrada




