- Mensajes: 2
- Gracias recibidas: 1
Actualizaciones
- Novedades en manuales de mecánica 51 nuevos manuales disponibles
- Primera actualización de 2020 con 55 nuevos manuales de mecánica
- Primera actualización de 2019 con 36 nuevos manuales de mecánica
- Primera actualización de 2018 32 nuevos manuales de mecánica
- Primera actualización de 2016 incluida reparación de manuales erróneos
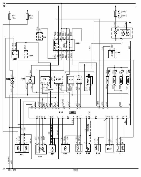
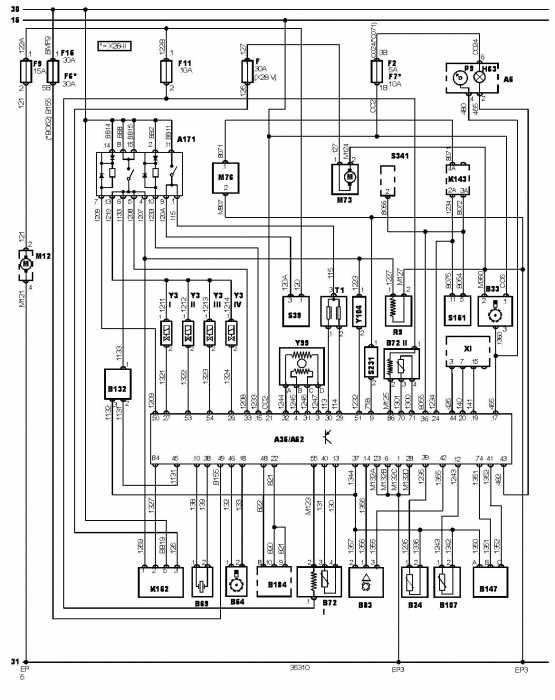
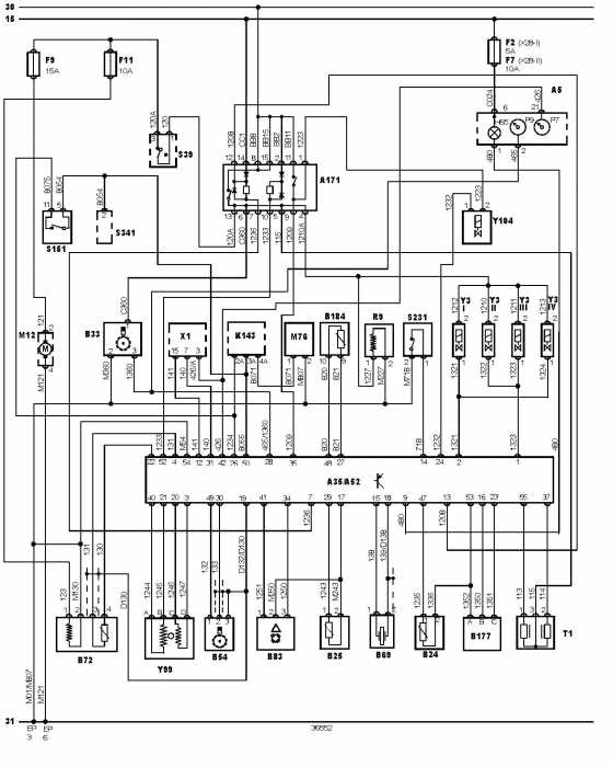
problema con peugeot 306 xn 1.4 1998
- maceituno
-
Autor del tema
- Fuera de línea
- Fresh Boarder
-
Por favor, Identificarse o Crear cuenta para unirse a la conversación.
- kikemec
-
- Fuera de línea
- Moderator
-
- smap
- Mensajes: 3387
- Karma: 55
- Gracias recibidas: 242
Por favor, Identificarse o Crear cuenta para unirse a la conversación.
- jaimesoria94
-
- Fuera de línea
- Fresh Boarder
-
- Mensajes: 6
- Gracias recibidas: 0
Por favor, Identificarse o Crear cuenta para unirse a la conversación.
Buscar en MDM
Últimos Manuales
Actividades en MDM
Manuales de Taller de Coches
Comparte información mecánica sobre coches en este grupo. Puedes subir y descargar manuales sobre coches, tanto manuales de taller como...
Oroch 2.0 modelo 2019.
compre bateria nueva y fue cuando me di cuenta que el coche no carga.
enciendo el clima y baja el voltaje a 11 volts.
pero si enciendo las luces si carga 13.5 v aprox.
¿alguien ya paso por esto?
le agradeceria su ayuda.
Saludos
Leer Más...
Manuales de Taller de Motos
Comparte información mecánica sobre motos en este grupo. Puedes subir y descargar manuales sobre motos, tanto manuales de taller como información...




